一、应用领域:
高盐高COD低温蒸发器用于高 COD、高盐分、易结垢的废液处理,可配套 含油废水热泵低温蒸发器或热泵真空低温蒸发器低温蒸发器、MVR 蒸发器,并进一步达到减量化、液固化的目标;
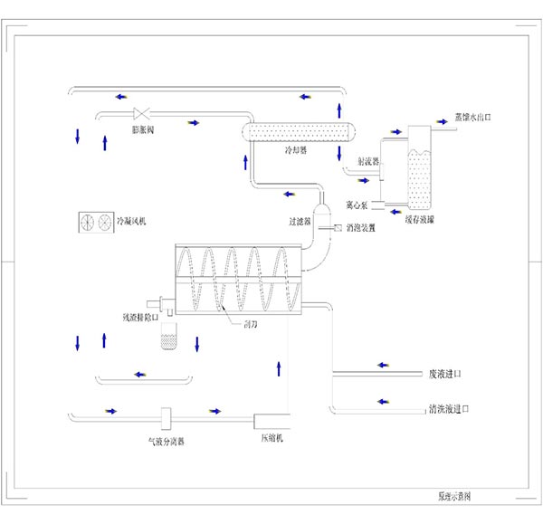
二、系统原理流程图:

(系统原理图)
三、技术性能特征:
1、夹套式换热器不与污液接触,防止换热性能衰减;
2、内衬空间,采用铁氟龙工艺和刮板刮刀工艺,防止内衬室结垢;
3、刮刀搅拌系统由齿轮减速马达控制,用于蒸发中的污水搅拌,提高浓缩率;
4、热泵制热系统,选用 R134A 环保制冷剂;
5、利用气缸和螺旋刮刀自动排出浓缩液;
6、配置自清洗技术和消泡剂自动添加功能;
7、动力仅为电能和压缩空气;


